一、企業簡介
南車戚墅堰機車車輛工藝研究所有限公司(以下簡稱戚墅堰所)于1959年9月創建,前身為“鐵道部戚墅堰鑄工工藝研究所”,直屬于鐵道部。1985年,戚墅堰所主動取消了全部事業費撥款,走上自謀發展之路。2000年,戚墅堰所退出國家事業單位序列,轉制為企業。2008年,戚墅堰所完成了重組改制,成為由中國南車控股的全資子公司,并隨中國南車整體上市。2014年戚墅堰所實現銷售收入50.1億元。戚墅堰所依托技術創新平臺,以傳動技術、制動技術、液壓作動技術等核心技術為基礎,以南車三大技術平臺實施與優化為手段,進一步完善以企業為主體、市場為導向、產學研相結合的技術研發體系,不斷提升自主創新能力。
二、企業信息化應用總體現狀
建設支撐集團管理模式和運營分析的財務管理、投資管理、人力資源管理、客戶關系、供應鏈、產品質量跟蹤、生產經營管理等系統;全面推進“三融合”戰略,實現信息化建設與IT新技術、精益生產、科技研發三融合,確保信息化架構科學性和可持續發展,推進管理創新和精細化,促進研發能力建設,提升產品科技含量,使信息技術成為促進企業技術創新和管理創新的源動力;建設了生產成本管理系統和供應鏈管理以達到對公司內部物資管理進行很好的跟蹤和管控,將內外物資進行聯動管理,同時形成中國南車戚墅堰所全面的物流跟蹤體系,建立精細的成本核算管理體系。生產鏈管理系統可以對產品從設計、采購、領料、車間、外協到完工入庫、售后服務的全過程跟蹤;搭建包括制造、技術、設計的“三大技術平臺”的產品數據管理、協同仿真公共服務平臺,提高產品研制能力和創新能力,縮短研制周期,降低成本。提高快速響應能力和競爭能力。制造業信息化構建基于數字化模型的三維設計分析仿真工具,規劃流程控制。數控加工,集成系統,積累了基于數字模型的知識體系,形成了支撐企業創新的技術體系;形成管理、運營、技術和制造等4大數據中心,數據充分共享,實現了“一次輸入、多次使用、環環相扣、作業整合”,形成了上一體化的信息化管理組織。龐大的數據中心為公司領導決策分析提供了強大的支撐;信息門戶、電子郵件、辦公自動化(OA)、人力資源管理(e-HR)和網上報銷等一批辦公管理系統在公司建成應用,成為各單位和廣大員工必不可少的日常工作平臺。
三、參評信息化項目詳細情況介紹
1.項目背景介紹
(一)適應企業信息化發展方向,提升工藝管理能力的需要
在信息化高度發展的今天,世界各國大部分制造業企業都在進行產品研發及管理的信息化轉變。產品研發能力是企業核心競爭力的關鍵,不能提升自身水平就會落后挨打,戚墅堰所工藝信息化方面卻是空白,與高科技企業不相匹配,并且在設計制造環節都已經開展了信息化應用,工藝的脫節嚴重影響戚墅堰所的發展。
(二)提升工藝研發效率,提高準時交貨率的要求
公司的工藝技術文件大部分都是借助CAD和Word編制完成,效率低下,工藝人員的大部分工作都是在進行重復性勞動,工藝人員沒有足夠的精力致力于工藝改進和工藝研究。積累的各種工藝裝備、典型加工工藝等工藝資源,在編制工藝時,工藝資源不透明,沒共享,查找十分困難,從而導致工藝資源的利用率不高。在文件簽審方面,工藝簽審一般要經過編制、校對、標準化、審核、會簽、發放等過程,這些工作通過人為傳送,缺乏有效的計算機輔助管理能力,影響了項目組成員的協同工作效率。
(三)打通脈路,協同設計、制造的需要
在傳統模式下流程較長,數據交互單一,工藝設計在產品研發時期參與度不夠,產品研制更改頻繁,影響工藝設計進度;工藝設計與生產管理環節脫節,工藝變更不能及時傳遞到生產現場指導生產,生產數據不能有效反饋給設計環節驗證設計。通過協同管理能夠實現設計與工藝、工藝與生產的協同作業以及產品研發的全生命周期管理,實現數據的有效傳遞,縮短生產準備周期。
在傳統管理模式下的信息由于在傳遞途徑、統計工具和匯總平臺方面的缺陷,在全面性、準確性和及時性方面很難保證,影響決策效率和執行效果;通過建立協同機制,應用協同平臺和數據分析,管理層可及時準備了解整體項目研制情況,實現科學高效的管理。
2.項目目標與實施原則
基于整體工藝管理的愿景,戚墅堰所制定了詳細的項目目標。一是規范基礎資料管理,任何信息化項目都要以此為前提;二是實現工藝設計的集中、統一、安全、協同管理;三是改善和提升工藝設計和管理的能力、效率和規范,實現工藝數據的共享,確保工藝信息暢通、高效、準確;四是推進工藝管理標準和規范的執行;五是實現工藝技術經驗的積累和傳承;六是利用信息化技術的優點,實現追溯。
通過工藝管理信息化的實施,實現工藝數據的統一管理,并實現與產品數據管理系統的數據集成,將設計的有效信息提取到工藝管理系統中。在系統內實現工藝文檔的有效分類,整合工藝資源庫及對數據進行標準化管理,對工藝文件編制及更改進行有效審批管理,對所有的技術文檔進行狀態管理,這些工作的開展及相關業務功能的成功應用,將提高工藝管理的效率和質量,確保信息的一致性、完整性和規范性,有效推進工藝設計的標準化,進而極大的減少人工進行數據處理帶來的不必要的錯誤,縮短技術準備周期,工藝管理系統信息化協同平臺的示意圖如圖1所示。

圖1 工藝管理系統信息化協同平臺
3.項目實施與應用情況詳細介紹
(一)建設工藝管理標準化體系
1)完善工藝管理標準
工藝標準化就是標準化原理在工藝工作中的應用。即依據公司的特點,對產品的工藝過程、工藝要素和工藝文件等進行規范、統一,從而實現工藝標準化。隨著工藝管理工作的逐步深入,該系列標準也顯現出了較多亟待修改、完善之處。并且通過對現有管理體系文件的分析,發現因文件生產的背景和目的不同,且管理的思路不同、角度不一。即使對同一項工作的同樣的管理要素,也會出現在不同體系的不同部分或不同層級。因此詳細分解管理要素,是進一步完善工藝管理標準的關鍵。
在修訂標準的過程中,南車戚墅堰所工藝管理部組織從文件的性質及管理要素的性質對工藝管理標準進行了分類,最終形成現有的工藝文件管理標準、工藝裝備管理標準、工藝工作管理標準,具體的標準構成如圖2工藝標準構成所示。通過對標準的重新整理,形成了一整套管理規范,提高整個工藝研發流程的管理效率。

圖2 工藝標準構成
2)實行工藝技術標準電子化
南車戚墅堰所涉及各類加工工藝技術,工藝范圍廣、靈活性強,從工藝標準化的角度出發,工藝技術標準可大致分為:工藝基礎標準,專業工藝技術標準,工藝裝備標準。在產業化不斷擴大的過程中,新進的工藝技術人員由于工作年限、個人能力或其他因素的同,導致所掌握的經驗和方法在內容數量和水平上是層次不齊的,對工藝技術標準的理解也不一樣,而公司在多年的發展過程中,也形成了一系列的工藝技術標準(含國家標準和行業標準),但缺少宣貫及查詢途徑,戚墅堰所組織工藝專家對目前涉及到的工藝技術標準進行了系統的梳理,形成工藝標準體系。通過標準化信息系統統一導入標準,方便工藝技術人員查詢,提供工藝設計的效率。圖3標準化信息系統。

圖3 標準化信息系統
3)建立標準化表單
管理制度化、制度流程化、流程表單化,制訂表單的意義在于更加有效的促使管理要素落地,通過對標和整合,規范工藝過程輸出,不斷提升員工分析及發現問題的能力,促進員工將隱形知識轉化為顯性知識,激勵員工將工藝工作的由非結構化推向結構化。
(二)完善基礎資料管理
1)完善編碼管理
戚墅堰所早在2011年就完成了產品編碼標準的發布,其中詳細規定物料、產成品、標準件、工裝、圖文檔等編碼規范,為了更好的支撐該編碼標準,戚墅堰所自行研發了編碼請碼系統,該系統提供強大的規則配置、屬性管理和請碼審核功能,并作為唯一編碼來源提供各大系統數據編碼,工藝管理系統也不例外。產成品編碼規則如圖4。

圖4 產品編碼規則
編碼規范的建立和統一,使得公司的基礎資料得到了完善的控制,并且系統間的數據交互可靠性得到了極大提高,數據分析效率也得到了質的提升。
2)完善工藝對象屬性管理
工藝管理信息化對零部件及工藝數據主要采用對象的方式進行管理。各類數據對象可以具有不同的屬性、包括不同的物理文檔格式以及對應不同的審批流程,可以定義不同數據對象之間的關聯管理,以方便查找使用。
(三)建設特色工藝管理方式
戚墅堰所工藝類型繁多,特點鮮明,各生產單元所具有的工藝種類有交叉,產品類型因行業要求標準不一致。因此戚墅堰所從集團管控角度,對工藝管理進行總體要求,再由各工藝生產單元根據其自身工藝特點制定管理方式。單個項目的實施過程中都可能涉及到以上所有或大部分工藝的管理,所以依據工藝的特征屬性采取差異化的管理模式。
(四)優化工藝項目管理辦法
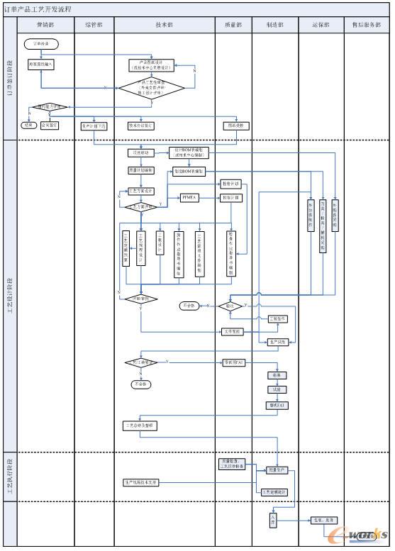
工藝項目的實施離不開項目管理和質量管理,如何避免多頭管理是在建立及優化工藝項目管理模式時必須考慮的,南車戚墅堰所通過對現有工藝開發流程及項目文件的審批流程的再造,融合了項目管理及質量管理的要求,如項目管理三要素的時間、質量、成本的策劃及執行,如加入了FAI流程節點和控制計劃的要求。將整個工藝過程階段分為:工藝性審查、工藝策劃、工藝方案設計、工藝規程設計、工裝設計及制作、FAI鑒定、工藝總結及工藝整頓、批量生產及現場控制以及各階段的評審工作,通過流程確保各階段的工作內容都有章可循。其中訂單類流程如圖5所示:

圖5 訂單類工藝流程
(五)加強工藝與設計、制造的協同能力
1)建立新型協同管理模式,促進工藝設計一體化的實現
公司以工藝管理系統建設為契機,重新梳理產品設計、工藝設計、生產管理等相關業務流程,為了降低公司新產品生產準備期,提高公司核心競爭力,一方面進行管理創新、流程優化,另一方面逐步推進工藝設計一體化進程,以新型協同管理模式的建立,提升公司工藝設計水平。整體業務流程如圖6所示:

圖6 整體業務流程圖
2)建立工藝管理系統,打通設計、工藝、制造數據鏈路
工藝管理系統主要分為基礎支持層、核心組件層和應用層,其中基礎支持層以公司工藝標準化體系為導入,結合公司編碼請碼系統實現統一信息化編碼的工藝數據庫。核心組件層實現工藝表格及模板繪制和定義,實現各種類型工藝、工藝資源、典型工藝的管理,實現打印及數據安全控制,提供二次開發和集成接口。設計來源(產品設計導入)和工藝設計輸出(工藝文檔、路線、物料清單信息導出)等功能。應用層實現工藝設計平臺,工藝管理平臺,實現項目管理、工藝知識管理,以及工藝設計來源(產品設計導入)和工藝設計輸出(工藝文檔、路線、物料清單信息導出)等功能。

圖7 工藝管理系統架構圖
工藝設計輸入主要來源于PDM系統,通過系統集成接口,零部件信息(零部件代號、版本、名稱、規格型號、材質、質量特性等屬性信息)、產品結構信息可以完全繼承于PDM系統,從而作為工藝BOM創建的基礎。如圖8所示:

圖8 工藝管理系統與PDM集成
工藝設計輸出主要用于指導生產,通過系統集成接口,工藝路線,產品BOM、零部件替換關系等信息可以傳遞給ERP。如圖9所示:

圖9 工藝管理系統與ERP集成
通過工藝管理系統可以實現產品設計、工藝設計、產品生產環節數據共享,實現數據的有效利用。如圖10所示:

圖10 設計、工藝、制造數據鏈路
3)構建協同管理平臺,為管理創新模式實現奠定基礎
依托工藝管理系統建設,細化工藝輸入和輸出管理,通過業務整合,使設計、工藝、工裝、質量、生產在同一平臺下數據的有效交互,解決研制過程中的“信息孤島”、“業務孤島”,確保同一信息源、滿足協同管理和高效決策的需求,保證新型管理模式的快速、高效、準確。
在實際工藝編制過程中,協同設計者分處不同部門、不同地域,但由于同一個工藝管理平臺,他們的設計結果可以隨時轉化為符合實際使用習慣的工藝文件,方便相互閱覽,對其訪問、編輯等都處于同一控制下,從而解決了工藝的協同編制問題。通過主控工藝與輔助工藝、數控程序的并行進行機制,把基于紙質的管理模式所造成的串行工作流程轉化為并行。產品數據、資源數據都來自工藝管理系統,這就保證了數據來源的惟一性。并且在工藝管理平臺中,對同樣的零件/產品進行工藝設計,使系統用戶可以進行共享,從而保證了工藝數據的完整性和一致性。
通過PDM將設計所提供的產品設計結構及圖紙文件傳遞到工藝管理系統及仿真平臺,通過應用工藝管理系統和仿真平臺,根據產品結構信息和工裝數據,實現工藝設計、工藝驗證、仿真分析,生成制造BOM和工藝路線,將制造BOM和工藝路線數據傳遞給ERP,制定相關生產作業計劃指導生產。
4.效益分析
(一)經濟效益
1)降低生產準備費用
通過工藝資源的梳理,使工藝技術人員更規范和高效的利用現有資源,典型工藝得到高效復用,減少了重復評審的時間和成本;通過現代化的技術和管理手段,對工藝設計及管理的相關業務流程進行規范及固化,項目關鍵節點得到有效控制,工藝研發過程透明,提高了工藝整體質量;對流程輸出的文件建立相應的模板進行指導,工藝文件標準化程度高,極大提高了客戶評審通過率;通過項目管理理念使工藝人員能按照系統提供的流程進行工藝設計工作及分派任務,有效改善了工藝人員的工作量分配,避免人力資源浪費或超負;利用更改流程對工藝更改進行有效的監控,確保工藝管理中的業務、管理工作及相應的信息在公司、部門、個人之間進行高效、規范、高度的溝通和處理。使得產品能盡快進入的生產制造環節,并且能滿足客戶化需求,提高了產品質量。據初步統計,公司齒輪產業實施工藝信息化后,首件鑒定一次交檢合格率提升了2.16%,生產準備周期平均縮短了13%,年降低生產準備費用8%,合計節省費用279.5萬元。
2)減少工藝管理成本
工藝文件格式和工藝用語實現規范化,工藝一致性得到改善,工藝標準化成都進一步提高;工藝文件設計、修改工作量打打減少,周期縮短,工作效率大幅度提高;工藝路線、材料定額等實現自動統計匯總,高效、無差錯;工藝人員從繁重的基礎工作中得到解放,有更多的時間考慮工藝的改進、創新和進行工藝性試驗,用以提高工藝技術水平和工藝文件設計的質量。
(二)管理效益
1)提升了工藝管理水平,加快了工藝人才的培養
通過產品數據分類體系的管理,實現工藝數據有序、有效的管理,管理數據包括產品工藝方案、工藝規程等工藝設計及管理文件;并且實現快速的信息查詢,提高信息重復利用,保證數據完整性。通過固化的工藝項目過程控制,嚴格規范了項目過程控制,各階段輸出物得到有效控制,避免了項目過程的無序性,工藝技術人員也能及時掌握和了解所需開展的工作。
通過實施,已有工藝成果得到固化,通過工藝知識積累工具完成企業和個人工藝知識的積累。使系統更好地協助工藝人員進行工藝設計,為相同或相似的工藝設計提供借鑒,提高工藝設計成果的重用性,提高工藝設計的質量。年輕工藝人員可以瀏覽工藝庫,從可選的工藝方案中了解重要工藝的處理情況,或者關鍵設備的選用情況,從而全面繼承優秀工藝師的經驗,加快對工作流程的認識,加快成長為一名優秀的工藝師。
2)設計、工藝、制造的協同能力得到加強
通過新型協同管理模式的實施,不僅集成了產品的設計數據,還實現與ERP等生產經營管理系統緊密集成,大大縮短了產品研制周期。新產品的工藝審查周期、BOM及工藝路線編制發放周期、工藝文件編制和發放周期,設計變更周期,乃至整個產品研制周期都大大縮短。
工藝管理系統以客戶需求為源頭,通過項目管理和協同平臺,從時間和空間兩個維度共同提高客戶需求和設計目標的實現能力,并且逐漸將這種能力擴展到整個供應鏈。
轉載請注明出處:拓步ERP資訊網http://www.sdyuan.com/
























