0 引言
步進電動機是一種將電脈沖信號轉換成角位移或線位移的機電元件。步進電動機的輸入量是脈沖序列,輸出量則為相應的增量位移或步進運動。正常運動情況下,它每轉一周具有固定的步數; 做連續步進運動時,其旋轉轉速與輸入脈沖的頻率保持嚴格的對應關系,不受電壓波動和負載變化的影響。因此步進電機具有快速啟停、精確步進以及能直接接收數字量的特點。由于步進電動機能直接接受數字量的控制,所以特別適宜采用微處理器、微機及PLC 進行控制。
1 步進電機工作原理
目前常用的有 3 種步進電動機: 1) 反應式步進電動機( VR) 。反應式步進電動機結構簡單,生產成本低,步距角小; 但動態性能差。2) 永磁式步進電動機( PM) 。永磁式步進電動機出力大,動態性能好; 但步距角大。3) 混合式步進電動機( HB) 。混合式步進電動機綜合了反應式、永磁式步進電動機兩者的優點,它的步距角小,出力大,動態性能好,是目前性能最高的步進電動機。它有時也稱作永磁感應子式步進電動機。
圖 1 是最常見的三相反應式步進電動機的結構示意圖。圖中 1,2,3 分別為電動機的定子、轉子和繞線線圈。電機的定子上有 6 個均布的磁極,其夾角是 60°。各磁極上套有線圈,如圖連成 A、B、C 三相繞組。轉子上均布 40 個小齒。所以每個齒的齒距為 θE= 360° /40 = 9°,而定子每個磁極的極弧上也有 5 個小齒,且定子和轉子的齒距和齒寬均相同。由于定子和轉子的小齒數目分別是 30 和 40,其比值為一分數,從而產生了所謂的齒錯位的情況。如圖所示,若以 A 相磁極小齒和轉子的小齒對齊,那么 B 相和 C 相磁極的齒就會分別和轉子齒相錯 1/3的齒距,即 3°。B、C 極下的磁阻會比 A 磁極下的磁阻大。假如給 B 相通電,B 相繞組會產生定子磁場,其磁力線穿越該相磁極,并會按磁阻最小的路徑閉合,這就使轉子受到磁阻轉矩( 反應轉矩) 的作用而轉動,直到 B 磁極上的齒與轉子齒對齊,恰好轉子轉過 3°; 此時 A、C 磁極下的齒又分別與轉子齒錯開1 /3 齒距。此時停止對 B 相繞組通電,而改為 C 相繞組通電,同理受磁阻轉矩的作用,轉子按順時針方向再轉過 3°。依次類推,當三相繞組按 A→B→C→A 順序循環通電時,轉子會按順時針方向,每個通電脈沖轉動 3°的規律步進式轉動起來。若改變通電順序,按 A→C→B→A 順序循環通電,則轉子就按逆時針方向以每個通電脈沖轉動 3°的規律轉動。因為每一瞬間只有一相繞組通電,并且按 3 種通電狀態循環通電,稱為單三拍運行方式。單三拍運行時的步矩角 θb為 30°。除此以外三相步進電動機還有兩種通電方式,分別是雙三拍運行,即按 AB→BC→CA→AB 順序循環通電的方式和單、雙六拍運行,即按 A→AB→B→BC→C→CA→ A 順序循環通電的方式。六拍運行時的步矩角將減小一半。

圖 1 三相反應式步進電機結構示意圖
反應式步進電動機的步距角可按下式計算:θb= 360° / NEr( 1)式中: Er為轉子齒數; N 為運行拍數,N = km,m 為步進電動機的繞組相數,k =1 或 2。
2 步進電機的控制原理
步進電機作為一種控制精密位移及大范圍調速專用的電機,它的旋轉是以自身固有的步距角( 轉子與定子的機械結構所決定) 一步一步運行的,其特點是每旋轉一步,步距角始終不變,能夠保持精密準確的位置。所以無論旋轉多少次,始終沒有積累誤差。由于控制方法簡單,成本低廉,廣泛應用于各種開環控制。步進電機的運行需要有脈沖分配的功率型電子裝置進行驅動,這就是步進電機驅動器。它接收控制系統發出的脈沖信號,按照步進電機的結構特點,順序分配脈沖,實現控制角位移、旋轉速度、旋轉方向、制動加載狀態、自由狀態。控制系統每發一個脈沖信號,通過驅動器就能夠驅動步進電機旋轉一個步距角。步進電機的轉速與脈沖信號的頻率成正比。角位移量與脈沖個數相關。步進電機停止旋轉時,能夠產生兩種狀態: 制動加載能夠產生最大或部分保持轉矩( 通常稱為剎車保持,無需電磁制動或機械制動) 及轉子處于自由狀態( 能夠被外部推力帶動輕松旋轉) 。步進電機驅動器必須與步進電機的型號相匹配,否則將會損壞步進電機及驅動器。步進電機典型控制原理如圖 2 所示。

圖 2 步進電機控制原理圖
1) 控制換相順序通電換相這一過程稱為脈沖分配。例如: 三相步進電機的三拍工作方式,其各相通電順序為 A - B- C - D,通電控制脈沖必須嚴格按照這一順序分別控制 A,B,C,D 相的通斷。
2) 控制步進電機的轉向
如果給定工作方式正序換相通電,步進電機正轉,如果按反序通電換相,則電機就反轉。
3) 控制步進電機的速度
如果給步進電機發一個控制脈沖,它就轉一步,再發一個脈沖,它會再轉一步。2 個脈沖的間隔越短,步進電機就轉得越快。調整脈沖頻率,就可以對步進電機進行調速。
4) 控制步進電機的角位移控制輸入給步進電機的脈沖數目可以控制步進電機的角位移。
3 步進電機的 PLC 控制
隨著微電子技術和計算機技術的發展,可編程序控制器有了突飛猛進的發展,其功能已遠遠超出了邏輯控制、順序控制的范圍,它與計算機有效結合,可進行模擬量控制,具有遠程通信功能等。有人將其稱為現代工業控制的三大支柱( 即 PLC、機器人、CAD/CAM) 之一。目前 PLC 已廣泛應用于冶金、礦業、機械、輕工等領域,為工業自動化提供了有力的工具。
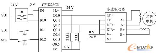
以西門子 S7 - 200 PLC 為例,可以使用 S7 -200 系列 PLC 的高速輸出點直接對步進電機進行運動控制。S7 -200 系列 PLC 配有 2 個 PTO/PWM 發生器,它們可以產生一個高速脈沖串或者一個脈沖調制波形。一個發生器的輸出點是 Q0. 0,另一個發生器輸出點是 Q0. 1。當 Q0. 0 和 Q0. 1 作為高速輸出點時,其普通輸出點被禁用,此時輸出的波形不受輸出映像寄存器的狀態、輸出強制和立即輸出指令的影響。而當不作為 PTO/PWM 發生器時,Q0. 0 和Q0. 1 可作為普通輸出點使用。一般情況下,PTO /PWM 輸出負載至少為 10% 的額定負載。脈沖輸出指令( PLS) 配合特殊存儲器用于配置高速輸出功能。這些特殊寄存器分為三大類: PTO/PWM 功能狀態字、PTO / PWM 功能控制字和 PTO /PWM 功能寄存器。脈沖串操作( PTO) 按照給定的脈沖個數和周期輸出一串方波 ( 占空比 50%) 。PTO 可以產生單段脈沖串或者多段脈沖串( 使用脈沖包絡) 。PTO 脈沖個數范圍為 1 ~4 294 967 295,周期為 10 ~65 535 μs 或者 2 ~65 535 ms。某設備上有一套步進驅動系統,步進驅動器的型號 為 SH - 2H042Ma,步 進 電 動 機 的 型 號 為17HS111,是兩相四線直流 24 V 步進電動機。要求: 壓下按鈕 SB1 時,步進電機帶動設備運行,當設備靠近接近開關 SQ1 時停止。PLC 與步進驅動器和步進電動機的接線如圖 3 所示。

圖 3 PLC 與驅動器和步進電動機的接線圖
系統選用的是兩相四線的步進電機,其引出線分別與步進驅動器的 A + 、A - 、B + 、B - 端子相連。在該控制系統中,PLC 不能直接與步進驅動器相連,因為步進驅動器的控制信號是 +5 V,而西門子 PLC的輸出信號是 + 24 V。因此可以在 PLC 與步進驅動器中間串聯一只2 kΩ 的電阻,起到分壓作用。此外,步進驅動器有共陰和共陽兩種接法,與具體的控制信號有關系,西門子 PLC 輸出信號是 + 24 V 信號,所以采用共陰極接法。
主程序LD SM0. 1MOVB 16#85,SMB67MOVW 250,SMW68MOVW 80000,SMD72LD I0. 1EUPLS 0LD I0. 0SBR_0子程序( SBR_0)LD SM0. 0MOVB 16#82,SMB67R SM67. 7,1PLS 0其中,SMB67 是高速輸出點 Q0. 0 的 PTO 控制寄存器。SMB67 =16#85 的含義是 PTO 允許、選擇PTO 模式、單段操作、時間基準為微秒、PTO 脈沖更新和 PTO 周期更新。SMB67 =16#82 的含義是 PTO允許、選擇 PTO 模式、單段操作、時間基準為微秒、PTO 脈沖不更新和 PTO 周期不更新。SMW68 = 250的含義是 PTO 為 250 μs。SMD72 =80000 的含義是PTO 脈沖個數為 80 000。
使用 PTO/PWM 功能相關的特殊寄存器 SM 需要注意以下幾點:
1) 如 果 要 裝 入 新 的 脈 沖 數 ( SMD72 或SMD82) 、脈沖寬度 ( SMW70 或 SMW80) 或者周期( SMW68 或 SMW78) ,應該在執行 PLC 指令前裝入這些數值到控制寄存器。
2) 如果要手動終止一個正在進行的 PTO 包絡,要把狀態字中的用戶終止位( SM66. 5 或 SM76. 5)置 1。
3) PTO 狀態字中的空閑位( SM66. 7 或 SM76. 7)標志著脈沖輸出完成。
4 小結
步進電機在工業生產等諸多領域被廣泛應用,合理選擇步進電機的控制方式是非常必要的。科學合理地選擇和設計步進電機的控制方式,必須先弄清步進電機的基本工作原理。利用 PLC 實現步進電機的控制程序簡捷、清晰,具有良好的控制效果。但是,S7 -200 系列的 PLC 要使用其高速輸出點控制步進電動機,必須具備兩個條件,一是 PLC 必修有高速輸出點,二是輸出點必須是晶體管輸出,繼電器輸出的 PLC 即使有高速輸出點也不能控制步進電機。此外,S7 -200 系列的 PLC 集成的高速輸出點的頻率不夠高,使其使用范圍有限。基于以上種種,在對步進電機控制系統進行設計時,要根據具體的控制要求選用合理的控制方案。
核心關注:拓步ERP系統平臺是覆蓋了眾多的業務領域、行業應用,蘊涵了豐富的ERP管理思想,集成了ERP軟件業務管理理念,功能涉及供應鏈、成本、制造、CRM、HR等眾多業務領域的管理,全面涵蓋了企業關注ERP管理系統的核心領域,是眾多中小企業信息化建設首選的ERP管理軟件信賴品牌。
轉載請注明出處:拓步ERP資訊網http://www.sdyuan.com/
本文標題:基于PLC的步進電機控制系統設計
























