在電子測量中,為了研究電路中不同測試點信號波形的頻率、幅值以及相位等關系, 常常需要用多蹤示波器同時顯示多個被測信號,然而現今的電子示波器中,以雙蹤通用示波器為多數,四蹤示波器幾乎沒有。在缺少多蹤示波器的情況下,用單-四蹤示波器轉換系統來解決多波形的關系測試問題仍然是一種簡捷、高效的方法。
1 單-四蹤示波器轉換系統的構成
單-四蹤示波器轉換系統由Y1~Y4前置放大器,通道控制開關KA~KD,垂直位移電位產生電路,信號疊加與反相放大電路,觸發放大電路,雙穩態觸發器,8倍分頻電路,4(3)倍分頻/脈沖分配電路等構成,其結構如圖1所示。由圖1可知,用波形變換與分頻的方法獲得觸發信號,用模擬開關控制信號的切換,用線性運放對信號進行疊加與放大,再結合通用示波器,即可實現多路信號的波形顯示與觀測。

圖1 單-四蹤示波器轉換系統的構成
2 單-四蹤示波器轉換系統的工作原理
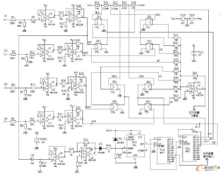
單-四蹤示波器轉換系統的電路原理如圖2所示。

圖2 單-四蹤示波器轉換系統原理
2.1 前置放大電路
在所有的示波器電路中,要求其Y通道輸入電阻高、輸出電阻低、通頻帶寬。單-四蹤示波器轉換系統的四個Y通道放大器均由高速運放NE5534組成,其中U1、U2,U3、U4,U5、U6,U7、U8分別構成Y1,Y2,Y3,Y4通道放大器,U1,U3,U5,U7分別構成電壓跟隨器,U2,U4,U6,U8構成放大倍數約為-6/5的電壓放大器。
2.2 通道轉換開關系統
通道轉換開關系統包括矩形脈沖產生、被測信號8倍分頻、Y通道轉換開關及其驅動等電路。
2.2.1 矩形脈沖產生電路
示波器要測試的信號波形通常是隨機的。由圖2可以看出,單-四蹤示波器轉換系統的信號通道切換及其控制等電路需要的是矩形脈沖,因此需要將被測信號變換成與其頻率相同的矩形脈沖。
矩形脈沖產生電路的輸入信號來自Y1通道。把波形隨機的被測信號變換成矩形脈沖,必須先對其進行放大;采用U9、U10(NE5534)運放對來自Y1通道的被測信號進行緩沖、放大,再運用U11(NE555)組成的雙穩態電路整形,并在其③腳輸出與被測信號頻率相同的矩形脈沖。
2.2.2 觸發脈沖產生電路
要在示波器屏幕上同步顯示多個被測信號波形,并真實反映信號間的相位、電壓幅值等關系,示波器應盡可能地工作在常態觸發條件下,用與被測信號有確定相頻關系的信號去觸發示波器的X系統掃描發生器;測量時示波器屏幕上通常顯示幾個周期的被測信號波形,因此示波器的掃描信號周期應為被測信號周期的幾倍。為實現單-四蹤示波器轉換,選擇在示波器屏幕上最多顯示約7個周期的被測信號波形。因此,與被測信號頻率相同的脈沖波經過8倍分頻之后用作為示波器掃描發生器的外觸發信號。
8倍分頻任務由U12(CD4017)完成。CD4017計數器采用異步清零方式構成8倍分頻計數器。其Q7(6腳)輸出的矩形脈沖便是通用示波器掃描發生器的外觸發信號。
2.2.3 通道轉換開關及其驅動電路
示波器在觸發脈沖作用下進行X軸方向掃描,調節觸發“電平”與“掃描因數”,使每個觸發信號都能起觸發作用。一般要求每次掃描大約顯示2~8個周期的被測信號,其中的每個Y通道工作時長應為一個掃描周期,而且Y通道間依次輪流工作。因此Y通道的工作切換應與Y通道的被測信號的路數相關,當被測信號為3路(即示波器應為3通道)時,開關驅動信號頻率應為觸發信號頻率的1/3,即應有3路脈寬等于觸發周期的Y通道切換驅動信號依次產生;當被測信號為4路(即示波器應為4通道)時,開關驅動信號頻率應為觸發信號頻率的1/4,即應有4路脈寬等于觸發周期的Y通道切換驅動信號依次產生。
基于上述原理,應根據被測信號的路數對觸發脈沖進行3倍或4倍分頻,并依次產生Y通道切換信號,用U13十進制計數/脈沖分配器(CD4017)完成這一任務,利用CD4017的異步復位端作用構成3(4)倍分頻器,從CD4017的Q0、Q1、Q2、Q3端依次輸出脈寬為觸發周期的矩形脈沖,開關S5決定3倍或是4倍分頻,即示波器工作在3通道或是4通道狀態。
利用EDA軟件Protel99SE中的TTL模擬開關可以完成Y通道的切換。U13的Q0、Q1、Q2、Q3端依次輸出的矩形脈沖驅動模擬開關S11、S12,S21、S22,S31、S32,S41、S42,它們分別控制Y1、Y2、Y3、Y4通道的被測信號、垂直位移電位VD1、VD2、VD3、VD4的切換。
2.3 信號垂直位置電位的產生
要使Y1~Y4通道的被測信號波形在屏幕上依次自上而下顯示出來,必須以不同的直流電位信號與被測信號分別疊加,這一組直流電位的產生由R30~R34、±5V直流電源構成的串聯電路完成,其輸出電位VD1<VD2<VD3<VD4,并且VD1、VD2、VD3、VD4經放大后分別與Y1、Y2、Y3、Y4通道的被測信號相疊加,由于末級放大器U14為反相放大器,所以直流電平VD1~VD4能確保Y1~Y4通道的被測信號在示波器屏幕上自上而下依次錯開,通過改變R30~R34值可以調節VD1~VD4的大小,使被測信號波形在垂直方向上的間距發生變化。
2.4 疊加與末級放大電路
疊加與末級放大電路由U14、R17、R35~R42構成,電路的任務是將垂直位置電位VD1、VD2、VD3、VD4放大后分別與Y1、Y2、Y3、Y4通道的被測信號疊加并使其反相,本級的反相與Y放大器的反相共同作用完成對被測信號的同相放大。
當系統工作在單-四蹤轉換狀態,uo1為高平,uo2~uo4為低電平時,模擬開關S11、S12接通,Y1通道被測信號uy1及其對應的垂直位置電位VD1向末級傳送,其余模擬開關均斷開,受控的被測信號及其對應的垂直位置電位均被阻斷,疊加與末級放大電路對uy1、VD1進行運算輸出,示波器屏幕僅在上部顯示Y1通道的被測信號;之后,一個觸發周期結束,當uo2為高平,uo1、uo3、uo4為低電平時,模擬開關S21、S22接通,Y2通道被測信號uy2及其對應的垂直位置電位VD2向末級傳送,其余模擬開關均斷開,受控的被測信號及其對應的垂直位置電位均被阻斷,疊加與末級放大電路對uy2、VD2進行運算輸出,示波器屏幕僅在中上部顯示Y2通道的被測信號;同理,uo3、uo4依次為高電平,Y3、Y4通道的被測信號波形依次分別顯示在示波器屏幕上的中下部、下部位置。
3 電路系統仿真
3.1 用電子設計自動化軟件Protel99E對電路進行仿真
單-四蹤示波器轉換系統的功用是將單蹤示波器轉換成為四蹤示波器,對轉換系統進行仿真,必須首先構建一組頻率、相位相關的四路信號源。現用圖3所示的單穩態觸發器及脈沖信號源產生頻率、相位相關的一組四路信號ui、ut、uc、uo。根據單穩態觸發器的電路參數要求,脈沖信號源ui的頻率、脈沖占空比、電壓幅度分別取5kHZ、0.5、5V。仿真時,先在Protel99SE原理圖編輯環境中按仿真要求將圖2、圖3畫在一起,四路信號ui、ut、uc、uo分別聯接至四蹤示波器轉換系統的輸入端Y1、Y2、Y3、Y4即可。

圖3 單穩態觸發器
電路仿真測試采用“動態/傅立葉特性分析”模式。測試的設置步驟是,在編輯原理圖窗口,執行“仿真”菜單下“設置……”命令,進入“分析設置”窗口,在“常態”標簽中選中“動態/傅立葉特性分析”,在“Collect Data For.....”收集信號參數欄中選擇“Nod Voltage, Supply Current, Device Current”,在“有效信號”欄中選擇信號“ui”、“ut”、“uc”、“uo”、“uo1”、“uo2”、“uo3”、“uo4”、“uy”、“uth”,在“仿真瀏覽設置”欄中選中“顯示激活信號”;再單擊“動態/傅立葉特性分析”標簽,刪去“默認設置”、“傅立葉特性分析”選項,選擇“動態/傅立葉特性分析”選項,取“起點時間”、“停止時間”、“仿真步長”、“最大仿真步長”分別為:“0”、“6.5”毫秒、“50”微秒、“50”微秒,然后單擊“運行仿真”便可完成仿真測試。

圖4 系統仿真結果1
圖4所示為仿真結果,其中“uth”為輸入至示波器X系統的外觸發信號,“uy”是輸入至示波器垂直通道的被測信號。由圖4可知,“uth”的上升沿與模擬開關控制信號“uo1”、“uo2”、“uo3”、“uo4”的邊沿對齊;“uo1”為高電平時,屏幕(uy)顯示通道Y1的被測信號“ui”;“uo2”為高電平時,屏幕(uy)顯示通道Y2的被測信號“ut”;同理“uo3”、“uo4”為高電平時,屏幕(uy)分別顯示通道Y3、Y4的被測信號“uc”、“uo”,四信號直流電位不同,使得它們在示波器屏幕垂直方向上均勻分布。
3.2 用電子設計自動化軟件Multisim10對電路進行仿真
采用Mutisim10對圖2所示電路系統進行測試,需要先對圖2中的模擬開關S11、S12,S21、S22,S31、S32,S41、S42及其驅動信號進行適當地替換處理。
選用Mutisim10中的虛擬示波器對電路系統進行仿真測試,其測試步驟是,首先調出仿真儀器庫中的虛擬示波器,聯接圖2中“uy”、U12的“Q7”分別至示波器的“A”通道、“Ext Trig”端,然后打開虛擬示波器的操作界面進行下列操作,“時間軸”區域“掃描因數”選擇“50μS/Div”,“水平位置”選擇“0”,功用選擇“Y/T”;“通道A”區域“Y偏轉因數”選擇“5V/Div”,“垂直位置”選擇“0”,耦合方式選擇“DC”;“觸發”區域觸發“類型”選擇“標準”,“邊沿”選擇“上升沿”或“下降沿”、“外部”,“電平”選擇“1V”。之后點動仿真開關,便得到圖5所示波形。

圖5 系統仿真結果2
圖5中的四個波形,自上而下依次為圖3電路中的觸發脈沖ui、微分信號ut、時間電容電壓uc、輸出電壓uo波形,它們按設計要求依次顯示在示波器屏幕上,真實重現了電路中不同點信號波形及其頻率、幅值、相位情況,用通用示波器實現了多蹤測量。
利用EDA軟件對電路系統進行仿真,若遇到“Timestep too small run simulation(s) aborted”仿真錯誤,可反復調整“Stop Time”、“Step Time”、“Maximum Step”參數,若錯誤仍不能消除可適當減少測試信號,直至仿真成功。之后在仿真結果欄選擇“Browse Simdata”標簽,在“Waveforms”欄選中剛才去掉的測試點,點擊“Show”按鍵,即可顯示出需要的測試點波形,依次如此操作便可把所有減少的測試點波形顯示出來;當電路中有大容量電容,遇到仿真錯誤時,可適當減小電容的容量,錯誤也可以避免。
4 單-四示波器轉換系統的使用操作方法
將單蹤示波器轉換為四蹤示波器前,應理解示波器“常態”情況下的觸發掃描原理、“釋抑時間”等知識、概念,同時能熟練掌握相應的操作技能。實際測試時分別將轉換系統的信號“uy”、觸發信號“uth”聯至示波器的任一Y通道、外觸發輸入端“Trig In”,單-四示波器轉換系統的“Y1”、“Y2”、“Y3”、“Y4”輸入端(四通道工作狀態)分別聯接四路被測信號。
當轉換系統工作在四通道狀態時,S5開關置“4”位置;當轉換系統工作在三通道狀態時,S5開關置“3”位置。
通用示波器的垂直工作模式應選擇“單通道”,耦合方式選“DC”,“Trig Source”選擇“EXT”、“Trig Mode”選擇“NORM”,選擇合適的“Level”及X系統掃描因數Sx;當轉換系統工作在四通道狀態時,Y1通道的輸入信號最低頻率應大于800Hz,并且被測信號的周期Ty與Sx應確保32Ty大于10Sx;當轉換系統工作在三通道狀態時,Y1通道的輸入信號最低頻率應大于600Hz,Ty與Sx應保證24Ty大于10Sx,依此就可以穩定地顯示出四(或三)個被測信號波形,否則,波形會呈現閃爍現象。
核心關注:拓步ERP系統平臺是覆蓋了眾多的業務領域、行業應用,蘊涵了豐富的ERP管理思想,集成了ERP軟件業務管理理念,功能涉及供應鏈、成本、制造、CRM、HR等眾多業務領域的管理,全面涵蓋了企業關注ERP管理系統的核心領域,是眾多中小企業信息化建設首選的ERP管理軟件信賴品牌。
轉載請注明出處:拓步ERP資訊網http://www.sdyuan.com/
























