為了解決無線傳感網通常運行在人不能或不便接近的環境,能源無法替代的問題,該設計采用了單片機MSP430F2370芯片和少量外圍電路等來構成完整測量系統。由于其充分利用了單片機內部資源,使系統硬、軟件設計達到了最小化,具有識別可靠性高、抗干擾能力強、成本低廉和體積小巧等特點。它可以識別ISO15693,ISO14443A,ISO14443B等多種協議標準的電子標簽。在今后的門禁系統、生產線檢測、自動收費系統、超市物流等方面有很大的應用前景。
物聯網與無線傳感器網絡是當前在國際上備受關注的、涉及多學科高度交叉、知識高度集成的前沿熱點研究領域。物聯網能夠獲取客觀物理信息,具有十分廣闊的應用前景,能應用于軍事國防、工農業控制、城市管理、生物醫療、環境檢測、搶險救災、危險區域遠程控制等領域,被認為是對21世紀產生巨大影響力的技術之一。
因此,本文提出了一種基于物聯網技術的多標準RFID設別設備,此設備可以實時自動識別物品的RFID電子標簽內信息,具有識別可靠性高,信息處理能力強,功耗小,保密性強。再結合無線傳感器網絡技術的信息傳輸,可實現無線網絡環境下的信息應用,本實用新型的應用將會越來越廣泛,對于物聯網技術和無線傳感器網絡技術有重要的理論意義和應用價值。
1 RFID技術簡介
1.1 RFID分類
RFID按應用頻率不同分為低頻(LF)、高頻(HF)、超高頻(UHF)、微波(MW),相對應代表性頻率分別為:低頻135kHz以下、高頻13.56MHz、超高頻860~960 MHz、微波2.4~5.8 G。
RFID按照能源供給方式分為無源RFID標簽或被動標簽(Passive Tag),有源RFID標簽或主動標簽(Active Tag),以及電池協助的無源RFID標簽。無源RFID標簽價格很低,但是無需要電池,有源RFID可以提供更遠的讀寫距離,但是需要電池供電。有源標簽由于有電池供電和功能較強的微控制器和無線單片機,所以可以實現更大范圍的傳感器數據監測和數據采集,也可以通過ZigBee、Wi—Fi、GPRS/3G等技術實現網狀網絡,來延伸標簽的范圍,是RFID技術一個非常重要的發展方向。
1.2 射頻識別系統組成
射頻識別系統主要由標簽(Tag)、讀卡器(Reader)、天線(Antenna)等組成,一般還需要其他軟硬件的支持。
標簽(Tag):由耦合元件及芯片組成(有源標簽還需要電池和傳感器等),每個標簽具有唯一的電子編碼,附著在物體上標識目標對象。
讀卡器(Reader):也稱讀寫器等,讀取(有時還可以寫入)標簽信息的設備,可設計為手持式或固定式。
天線(Antenna):在標簽和讀取器間傳遞射頻信號。如果是有源電子標簽,讀卡器也以同時是一個無線網關,能夠將有源標簽節點收集的數據,通過低功耗網絡,傳輸到物聯網和互聯網。
1.3 RFID技術的工作原理
RFID技術的基本工作原理并不復雜:標簽進入磁場后,射頻前端發出的射頻信號,憑借感應電流所獲得的能量發送出存儲在芯片中的產品信息(Passive Tag,無源標簽或被動標簽),或者主動發送某一頻率的信號(Active Tag,有源標簽或主動標簽);讀取信息并解碼后,送至RFID射頻識別控制單元進行有關數據處理。
2 射頻識別節點的硬件設計
2.1 射頻識別節點的結構
如圖1為射頻識別節點的結構:它包括:1)USB轉串口單元;2)RFID射頻識別控制單元;3)RFID讀頭前端單元;4)和無線射頻收發單元。射頻前端和標簽間一般采用半雙工通信方式進行信息交換,同時通過耦合給無源應答器提供能量和時序。在實際應用中,可進一步通過Eth-ernet或WLAN等實現對物體識別信息的采集、處理及遠程傳送等管理功能。

如圖1為射頻識別節點的結構
2.2 USB轉串口和射頻識別控制單元
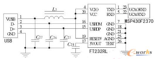
USB轉串口單元和RFID射頻識別控制單元連接如圖2所示。其工作原理為:用戶可以通過USB接口把模塊與PC機連接,通過USB轉串口單元發送命令到射頻識別控制單元,同時射頻識別控制單元可以通過USB轉串口單元把數據傳輸到PC機上進行數據處理。

圖2 USB轉串口單元和RFID射頻識別控制單元連接
2.3 RFID讀頭前端單元
圖3給出了本實用新型的核心控制電路,其工作過程是:TRF7960通過SPI口與MSP430F2370通信。當讀頭前端檢測到有效標簽,IRQ就置高電平,TRF7960與MSP430F2370的SPI通信有效,射頻識別控制單元把數據存儲在數據寄存器中以便向PC機發送。同時射頻識別控制單元根據不同的數據幀結構執行相應的數據處理函數,判斷出不同協議的標簽,通過外接的LED燈指示出不同標準的標簽。

圖3 射頻識別控制單元與讀頭前端接線
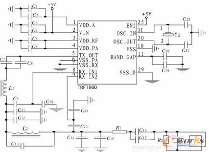
RFID讀頭前端單元的核心是TRF7960芯片如圖4所示,TRF7960的第8引腳RX1_AM,第9引腳RX2_PM為信號輸入的端,電阻R1、R2,電容C16、C17、C18,通過相互調節達到50Ω的阻抗,以便接收信號最佳,電阻R2,電容C18前端的PCB天線構成了磁場,TRF7960的第5引腳TX_ OUT不斷向磁場附近發送數據請求命令。當有標簽靠近磁場的時候,標簽通過電磁耦合接收到命令,同時向讀頭前端發送數據請求應答命令,標簽此時處于準備狀態,當讀頭接收到數據請求應答命令,開始讀取標簽的序列號,同時調用相關數據處理函數,如果數據校驗正確就把標簽信息發送到射頻識別控制單元,否則重新讀取信息。

圖4 TRF7960芯片
2.4 無線射頻收發單元工作原理
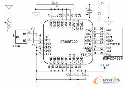
無線射頻收發單元主要采用AT86RF230芯片:當AT86RF230發送數據時,MSP430F2370把需要發送的數據通過SPI接口傳送到AT86RF230的寄存器中。數據經過基頻處理、頻率合成、功率放大,然后經過AT86RF230的第4引腳RFP通過天線E1發射。當AT86RF230接收數據時,數據通過天線E1經AT86RF230的第5腳RFN輸入,然后經過低噪聲放大、多相濾波器、復合帶通濾波、模數轉換,最后把接收到數據存儲在AT86RF230的寄存器中,然后通過SPI接口與MSP430F2370進行通信,把數據存儲到MSP430F2370的寄存器中。RFID射頻識別控制單元與無線射頻收發單元連接電路圖如圖5所示。

圖5 RFID射頻識別控制單元與無線射頻收發單元連接電路圖
3 總結
無線傳感器網絡在國防軍事、環境科學以及智能家居等領域有著極其廣泛的應用,由于通常運行在人不能或不便接近的環境,能源無法替代,因此傳感器節點的位置信息在無線傳感器網絡的諸多應用領域中扮演著十分重要的角色。利用該芯片開發的無線傳感器網絡節點識別可靠性高、抗干擾能力強、成本低廉和體積小巧特點。具有硬件加密、安全可靠、組網靈活、抗毀性強等特點,為今后無線傳感網絡的廣泛應用提供了理想的解決方案。
核心關注:拓步ERP系統平臺是覆蓋了眾多的業務領域、行業應用,蘊涵了豐富的ERP管理思想,集成了ERP軟件業務管理理念,功能涉及供應鏈、成本、制造、CRM、HR等眾多業務領域的管理,全面涵蓋了企業關注ERP管理系統的核心領域,是眾多中小企業信息化建設首選的ERP管理軟件信賴品牌。
轉載請注明出處:拓步ERP資訊網http://www.sdyuan.com/
本文標題:基于RFID技術的無線傳感器網絡節點設計
























