隨著電子技術的飛速發展,電子系統的設計理念和設計方法發生了深刻的變化,EDA技術成為現在電子設計技術的有力工具。它將以前“電路設計+硬件焊接+調試”轉化為“功能設計+軟件模擬+仿真”的模式。利用EDA開發平臺,采用可編程邏輯器件CPLD/FPGA使得硬件功能可通過軟件編程的方式來實現。這種設計方法使設計者大大減輕了電路設計的工作量和難度,增強了設計的靈活性,有效地提高了工作效率。
本文就是利用EDA開發平臺,實現基于IGBT器件的交流斬波調壓器中PWM波的控制。這種基于IGBT器件和PWM控制的交流調壓器,相比于傳統的變壓器調壓和可控硅調壓,不僅負載適用面廣,同時在很大程度上降低了對電網的污染,大大改善了交流電壓調節器的性能,迎合了目前國家提倡的多元化照明和節能減排的要求。
1 交流斬波調壓器的控制原理
交流斬波調壓電路就是以比輸入電源高得多的頻率,周期性使電路中的受控開關器件導通和關斷,以此來改變開關導通的占空比,從而達到調節輸出電壓大小的目的。目前比較典型的交流斬波調壓電路主要有單管反串聯交流斬波式調壓電路、雙開關交流斬波式調壓電路和單管雙向開關交流斬波式調壓電路等。其中單管反串聯交流斬波式調壓電路的IGBT采取單管反串聯連接方式,使其雙向受控器件具有“共地”端,簡化了受控器件的驅動電路,使PWM波便于控制。
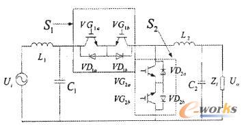
單管反串聯交流斬波式調壓電路如圖1所示。圖中VG1a、VG1b、VD1a和VD1b構成雙向斬波開關S1,VG2a、VG2b、VD2a和VD2b構成雙向續流開關S2。由于交流斬波調壓對象是交流電壓,電路對正負半波電壓要求均能進行調制,故S1和S2開關器件均為雙向開關。其中VG1a、VG1b、VG2a和VG2b由IGBT可控開關器件構成。其主要控制過程為:S1導通,S2關斷,電源通過S1開關向負載提供能量;S1關斷,S2導通,負載通過S2開關構成續流回路。
電路中的S1,S2在運行過程中必須嚴格遵守以下兩點:任意時刻S1與S2不能同時導通,否則造成電源短路,開關器件過流損壞;任意時刻S1與S2不能同時關斷,否則濾波電感電流沒有續流回路,產生很高的電壓,造成開關管過壓損壞。
斬波開關S1和續流開關S2的控制方式,即VG1a~VG2b可控開關的PWM控制方式主要有以下三種:互補控制方式、傳統非互補控制方式、帶電流檢測的非互補控制方式三種。經研究發現:互補調制模式一般應用于電阻性負載場合,電感性負載勉強可以使用,而電容性負載電壓畸變嚴重,不是很實用;非互補調制模式適用于電阻電感性負載,電容性負載存在一定的失控區;帶有電流檢測的非互補調制模式則可以很好的適用于電阻、電感、電容等各種類型的負載,同時避免了斬波開關和續流開關換相過程中引起的過電壓。
因此,本設計選用帶電流檢測的非互補調制模式控制單管反串聯交流斬波式調壓電路。表1為帶電流檢測的非互補信號的控制邏輯。

圖1 單管反串聯交流斬波式調壓電路
表1 帶電流檢測的非互補信號控制邏輯

表1中區間的劃分依據為電壓與電流的極性關系,根據極性關系可劃分四個區,每個區各個IGBT開關對應不同的控制邏輯。其中“1”表示IGBT門極施加驅動信號;“0”表示IGBT門極信號封鎖;Ug表示斬波開關與續流開關的PWM驅動信號。
2 PWM控制方式的FPGA實現
2.1 控制電路圖
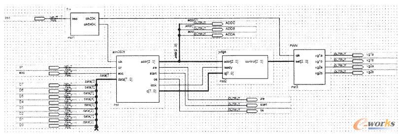
根據帶電流檢測的非互補信號的控制邏輯,在EDA開發工具Quartusll軟件中輸入設計文件,繪制頂層圖,如圖2所示。

圖2 PWM控制電路圖
電路圖中主要包括四個模塊:分頻電路模塊、A/D采樣電路控制模塊、電壓電流相位判斷模塊以及PWM產生模塊。
①分頻器模塊。根據負載特性和開關管工作效率兩個方面的因素,PWM的開關頻率可選為20kHz,A/D轉換芯片ADC0809的典型工作頻率為640kHz,故圖中分頻器模塊主要用于產生20kHz和640kHz時鐘信號。
②A/D采樣電路控制模塊。A/D轉換選用的芯片為ADC0809,該芯片是8位A/D轉換器,可控制8路模擬信號的轉換,完成一次的轉換時間約為100us。轉換前根據通道選擇地址,選擇某一輸入端的模擬信號,然后啟動轉換,等待轉換結束信號,輸出相應的數字量。該部分控制邏輯可采用狀態機的方式實現,由初始化狀態、啟動采樣狀態、轉換等待狀態、轉換結束狀態以及數據讀取狀態組成。
③電壓電流相位判斷模塊。該模塊主要針對輸入的電壓數字量和電流數字量進行相位判斷,若電壓為正,電流為負,設為Ⅰ區(3'b001);電壓為正,電流為正,設為Ⅱ區(3'b010);電壓為負,電流為正,設為Ⅲ區(3'b011);電壓為負,電流為負,設為Ⅳ區(3'b100)。
④PWM產生模塊。將電壓電流相位判斷模塊輸出的分區信號送入到PWM產生模塊中,按電流檢測非互補控制方式生成IGBT開關管的驅動控制信號。
2.2 模塊仿真
對PWM控制電路中的各模塊電路與總電路進行仿真,其中PWM產生模塊的仿真波形如圖3所示。

圖3 PWM產生模塊的仿真波形
由仿真波形可以看到:當分區信號為3'b001(Ⅰ區)時,Vg1a=0,Vg1b=l,Vg2a=反相PWM波,Vg2b=1;分區信號為3'b010(Ⅱ區)時,Vg1a=PWM波,Vg1b=1,Vg2a=0,Vg2b=1;Ⅲ區和Ⅳ同理可得。通過數據比較可以發現,四路驅動信號與表1中的控制信號一致,符合設計要求。
3 結語
本文利用FPGA實現對交流斬波調壓電路中PWM的控制,與傳統的PWM專用控制芯片實現方式相比,結構簡單,可靠性高,而且FPGA它所具有的靜態可重復編程和動態在系統重構的特性,使得設計更加靈活,同時也降低了開發成本。
核心關注:拓步ERP系統平臺是覆蓋了眾多的業務領域、行業應用,蘊涵了豐富的ERP管理思想,集成了ERP軟件業務管理理念,功能涉及供應鏈、成本、制造、CRM、HR等眾多業務領域的管理,全面涵蓋了企業關注ERP管理系統的核心領域,是眾多中小企業信息化建設首選的ERP管理軟件信賴品牌。
轉載請注明出處:拓步ERP資訊網http://www.sdyuan.com/
本文標題:交流斬波調壓器中PWM控制的FPGA實現
























