1 引言
工藝規劃是產品開發的—個重要內容,它是聯系設計和制造的紐帶和橋梁,對產品的生產起著至關重要的作用。由于工藝設計自身的復雜性和不確定性,使系統開發不僅要涉及到企業的產品類型和結構、制造設備和條件、生產技術水平等,還必須對工藝設計專家的知識和經驗進行總結和利用,同時在很大程度上還依賴工藝人員的技術水平和經驗。文獻提出了基于知識的自動工藝規劃方法,并從同類零件的工藝過程中歸納出共同的規律建立知識庫。這一方法解決了CAD/CAPP/CAM集成系統中“數據共享這一難題。文獻中提出了基于SML的工藝變型設計技術。以零件族為對象,對零件工藝變型設計中支持工藝變型的零件族建模方法和基于事物特性表SML的工藝變型等關鍵技術進行研究,并設計與開發了—個工藝變型設計原型系統。但上述還存在以下不足:
(1)對每個所設計零件,系統均進行“串行處理”過程,即使當前零件與曾經設計過的零件極為相似也如此,存在大量的重復性工作;忽略了零件的相似性原理,沒有考慮零件的變型工藝設計;
(2)工藝參數化變型設計沒有充分考慮企業制造資源以及工藝知識庫資源。針對上述的不足,提出了基于模板定制的工藝設計方法,根據零件的相似性和可重用原理,充分利用企業中已有的成熟工藝設計方案、工藝資源和經驗實例,并結合相關工藝知識,快速實現零件的工藝變型設計。
2 基于模板定制的工藝變型設計原理
工藝變型設計是面向結構、功能相似的同類零件,使同種零件類型的工藝過程規范化、典型化,這樣可方便的利用已有工藝實例或工藝知識得出類似零件的工藝規程。針對零件工藝的復雜程度和零件可能發生的變化,根據典型工藝的設計方法對零件工藝設計知識信息進行系統的分類、整理和總結,分別建立典型參數化工藝模板和典型實例工藝模板。典型參數化工藝模板是指通過分析和總結把典型零件工藝中相對不變的內容固定化,而相對可變的部分參數化而形成的模板式工藝。典型實例工藝模板是指從相似性高的零件中選出具有代表陛的典型零件做成的工藝模板;然后把整理和總結的典型工藝模板存儲在數據庫中,當再遇到新的類似零件工藝設計時,可根據不同情況,調用不同的模板(典型工藝模板或實例工藝模板),利用相似零件的工藝進行設計。
工藝變型是以零件變型為前提和條件,利用零件結構或工藝的相似性,采用人機交互法,通過參數化修改某些主要參數來實現工藝模板的自動修改,從而生成新零件的工藝設計。工藝變型設計流程,如圖1所示。首先將設計要求與典型工藝數據庫中的典型信息進行相似匹配,確定該零件的工藝在典型工藝庫中是否有相似的典型參數化工藝模板或典型實例工藝模板可以借用,否則就要重新設計。對于有典型參數化工藝模板或典型實例工藝模板可借用的零件,在三維參數化模型的基礎上,利用變量驅動技術,通過基于參數化工藝模板設計過程或實例工藝模板設計過程進行工藝變型設計,若檢索出的工藝不能完全滿足新工藝的要求,則可以通過基于知識的推理和交互式輸入等多種手段,在盡可能短的時間內快速、高效地設計出所需零件的工藝。

圖1 基于模板定制的工藝變型設計
3 基于典型參數化工藝模板的設計
典型參數化工藝模板的建立是以工藝工序分類為基礎的工藝典型化,主要是以工序為對象,為制造零件的某些特征要素(如車端面等)編制典型工序。使用時將這些典型工序按照一定的機械加工順序進行優化組合,并根據需要適當修改即可形成一份新工藝。針對回轉類零件形狀特征比較固定,且多由簡單特征組合而成,其工藝路線和加工方法也相對固定。對于此類零件可采用基于典型模板工藝的參數化工藝設計方法。
參數化工藝設計就是根據零件參數信息,通過查找相應模板工藝的參數,自動生成零件工藝的一種方法。并通過參數表達式建立起工藝模板中工藝數據與零件參數之間的參數化關系。工藝模板的代號為零件代號,如果同一類型的通用件有多份工藝模板,即出現多匹配的工藝,可以通過關鍵標識來區分,工藝人員可以在工藝設計過程中,隨時將總結的工藝模板規程經過一定的編輯修改直接放人工藝模板庫中,從而實現工藝模板的動態更新。
根據零件的參數信息去關聯相應的工藝模板,在關聯過程中可能遇到的以下3種情況:
(1)根據零件代號和參數關聯一份工藝模板;
(2)根據零件代號、參數找到多份工藝模板,需要根據主要參數決策判斷并關聯具體一份工藝模板;
(3)根據零件代號和參數無法找到一份模板工藝,需要人工進行工藝編制,完成后添加并更新工藝模板庫。
基于典型參數化工藝模板的工藝設計過程,如圖2所示。首先根據用戶需求輸入零件的主要參數,在相應的參數庫中進行參數的前期處理與計算,在典型模板工藝生成規則的支持下,從典型模板工藝庫中自動選取典型工藝模板,通過讀取事物特性表,完成參數化關系的轉換工作,生成確切的工藝數據更新典型模板工藝。工藝設計過程完成,若用戶對自動生成的工藝規程不滿意,則可進行交互式編輯修改,完成最終的工藝設計任務。其中建立事物特性表是關鍵技術。

圖2 基于典型參數化工藝模板的工藝過程
為了實現CAD/CAPP系統之間進行有效的信息傳遞和產品數據交換,實現產品設計數據、工藝數據和制造數據的一致性,采用了事物特性表的方式描述產品零部件信息。通過對零件的分類和總結,建立零件級別事物特性表。表中每個行對應一個零件模塊,每列對應—個零件模塊的標識屬性,整個事物特性表組成設計樹狀結構,按照產品設計的基本流程自頂向下分布,使每個表就可以對應—個零件族。零部件的幾何參數和工程屬性的集合表示整個零件族的設計及工藝信息。事物特性表基本結構,如表1所示。
表1 事物特性表結構

4 基于典型實例模板的工藝設計
基于實例模板定制的工藝設計流程,如圖3所示。根據用戶設計要求從實例庫中檢索與新零件最相似的實例,實例存在則從實例工藝庫中調用典型實例工藝如果該工藝完全滿足新工藝設計要求,將該工藝輸出;若該工藝不完全滿足新工藝的設計要求,則對實例工藝進行修改使其滿足設計要求。其中典型實例工藝模板的建立、零件的幾何信息建模和實例工藝修訂是關鍵技術。

圖3 基于典型實例模板的工藝設計過程
4.1 典型實例工藝模板的建立
典型實例工藝模板的建立是以典型零件為對象,將結構形狀相似或工藝特征相似的零件(如軸類零件、回轉類零件)通過合理分類,從中選出具有代表性的典型零件做成典型實例工藝模板,編制出工藝規程,使這一組零件能用相同的機床設備、工藝裝備和調整方法進行加工。根據零件工藝可能的變化對工藝模板組成做如下歸類:(1)圖幅和邊框:工藝文件格式通常要遵循一定的國家或企業標準,如A4、A3等,而邊框則限制了表格和其他圖文信息的位置,有的邊框還包括工作區的概念,如“機械加工工藝過程卡”字樣等。(2)靜態一維表:是指相對固定的表格,表現在工藝文件中就是該表只有一行記錄,該行記錄是由工藝文件編號唯一確定的。可分為兩種,一種是與參數化CAD階段的事物特性表相關聯的零部件設計屬性信息,并隨設計信息的變化而變化,包括零件圖紙號、零件名稱等。另—種是工藝設計屬性信息,包括文件編號、文件名稱、編制人等,每個工藝文件對應一行這樣的數據。(3)動態—維表:是指一維表的信息、有無、位置都會發生變化的一維表,可以分為兩種,一種是內容不會發生變化的工序過程,如去毛刺,熱處理等;一種是工序內容基本不變,只是參數會發生變化的工序過程,這類工序一般是由設計參數傳遞過來的,根據變型設計的變化而變化。(4)動態二維表:動態二維表是指該表中包含的工藝信息相對可變且在工藝卡片中有多行數據。因此,可以在實例工藝模板上將所有可能的工序都全部列出,這樣就可以保證工藝變型設計帶來的工序可能發生的變化,使每個可能的工序屬性均有多個選擇。
4.2 零件實例幾何、信息的建模
任何零部件,都是由一系列的應用特征組合而成,在具體生產環境下,往往只有其中某幾個特征決定最終生成的工藝規程,可稱這些特征為本零部件的工藝特征,它可以是尺寸、公差,也可以是結構說明或功能要求。根據零件實際生產中的要求,零件的信息模型以事物特性表的形式表達,在事物特性表中表達的不單只有變化尺寸及其上下偏差的信息.還包括材料、毛坯、表面質量參數、形狀公差、位置公差、加工精度、技術要求、熱處理方法等參數信息。
4.3 實例工藝修訂和存儲
實例工藝的修改主要有兩種情況需要處理:一是刪除典型實例工藝中相對于新零件工藝中沒有的工序、工步信息,如實例零件的特征多余當前實例零件,則在實例工藝中刪除那些多余特征對應的工序和工步;二是補充上典型實例工藝相對于新工藝而缺少的工藝信息,若是增加了某些特征,則從加工特征工藝模板庫中變型出相應特征的工藝,添加到原工藝中,對于比較復雜的工序、工步特征信息則可以采用人機交互式輸入方法來完成。實例工藝修改滿意后可以入庫,以擴充、完善實例工藝庫。
5 實例應用
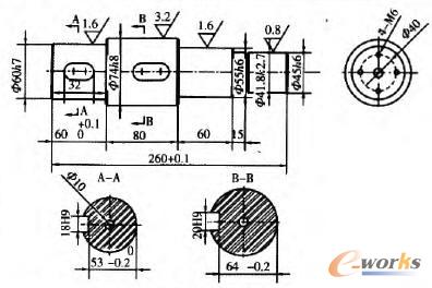
以圖4所示的零件為例,軸的結構多由簡單特征組合而成,如圖4所示。因此可采用典型參數化工藝模板的方法來實現。通過圖5和圖6進行零件信息輸入和參數查詢關聯相應的模板工藝,如圖5、圖6所示。并通過事物特性表將工藝模板中的參數替換成具體數值。如圖7所示。最后生成相應的工藝規程。

圖4 軸結構簡圖

圖5 零件信息輸入

圖6 參數查詢

圖7 軸的參數化關系實現
6 結論
對零件族的分析、整理和總結,通過基于模板定制的方法,針對不同零件的結構特征和工藝特點,分別采用典型參數化工藝模板和典型實例工藝模板進行新零件工藝設計。并輔助于基于知識的推理、決策推理和交互式輸入等工藝設計方法,使零件工藝變型設計相對更快。在一定程度上降低了對工藝人員經驗的依賴,也使企業長期積累的工藝知識和實例經驗得到了重用,從而提高了工藝設計的效率。
核心關注:拓步ERP系統平臺是覆蓋了眾多的業務領域、行業應用,蘊涵了豐富的ERP管理思想,集成了ERP軟件業務管理理念,功能涉及供應鏈、成本、制造、CRM、HR等眾多業務領域的管理,全面涵蓋了企業關注ERP管理系統的核心領域,是眾多中小企業信息化建設首選的ERP管理軟件信賴品牌。
轉載請注明出處:拓步ERP資訊網http://www.sdyuan.com/
























