引言
美國先進制造研究機構(AMR,Advanced Manufacturing Research)首先提出了制造執行系統(MES,Manufacturing Execution system)的概念,并將MES的應用方向定位于重點解決生產管理問題。MES面向制造過程,在企業生產管理系統中起著承上啟下的作用,能夠采集生產現場的實時數據,安排短期的生產作業,有助于生產計劃調度、監控、資源調配和生產過程優化等工作的進行。隨著國內企業信息化工作的逐步深入,MES已成為當前國內企業制造信息化研究與應用的熱點之一。目前,MES在航空、航天、電子等領域均獲得了廠泛應用。
1 多品種、小批量電子產品科研生產管理的主要問題
產品全生命周期包括研究、設計、采購、制造、交付等全過程。其中,制造過程是工程應用的重要保障。軍工產品具有技術尖端、產品質量要求高、小批量、多品種等特點,從零件加工到最終組裝成產品,其加工工藝過程包括機械加工工藝、特種工藝、電子裝聯工藝,以及精密機械裝配工藝等,生產環節多,生產過程復雜。從任務特點看,軍工產品生產任務主要是上級下達的指令性任務。近年來,軍工產品的科研生產呈現出多種型號產品同時研制、生產,計劃有一定的不確定性,項目需求變更多等特點。新型號的研制不僅周期短,也打破了原型號的串行研制程序,邊研制邊生產邊定型,生產組織管理難度很大。在這種形勢下,采用傳統生產管理方式,需投入較大的管理成本,才能完成任務,但隨著型號產品日趨增多、研制周期日益縮短,傳統生產管理方式面臨著巨大挑戰,具體表現在以下方面:技術信息及管理信息管理程序不規范,信息不能共享,技術及生產準備周期長;管理部門、生產車間對生產過程不可監控,生產過程對車間調度員能力、工作主動性依賴較強;隨著型號產品和設備的增多,生產流程的分支和數據信息也不斷增多,僅依靠人力無法快速分析各工位的任務情況及各產品的加工過程信息,只能依靠對最終節點情況的了解,這種沒有信息系統支持的傳統生產管理方式,對生產過程的了解往往是局部的、粗略的、滯后的,更談不上對生產過程的控制;數據采集困難,難以對制造過程中的產品質量進行動態監控和分析;缺乏資源一致性維護,各部門的數據統計不協調,對物料(原材料、元器件)的動態管理依賴后續工序的等待和催促,不能及時發現問題,可能會導致生產無法有序進行;工時定額不準確,不能作為工人績效考核的有效依據,也不能為型號的成本核算提供相對合理和準確的數據。
2 電子產品MES功能模型
通常,軍工電子產品生產過程實行所、車間兩級生產管理體制。所級生產管理部門為科研生產處,其工作內容側重于生產計劃的制定、對產品生產流程的全程監控和管理。實際生產任務主要由工藝室、機械加工車間、電子裝聯車間、質檢中心等單位承擔。車間接收科研生產處下達的批次生產計劃后,根據生產資源進行粗能力平衡,制定出作業計劃,確定各工序的開工日期及完工日期。并根據車間現階段的生產任務和實際生產情況,制定出各生產班組的具體批次生產計劃。一般情況下,整批產品的一道工序完成后就提交質檢中心進行質量檢驗,經檢驗合格后入庫,否則進行返工返修或報廢補投。
在電子產品MES中,各相關生產單位的工作模式為:科研生產處在MES中完成所生產計劃(生產任務單);工藝部門根據生產任務單在計算機輔助工藝過程設計(CAPP,computer Aided Process Plannjng)系統中完成工藝規程設計;在MES中,進行工藝定額制定,明確生產數量,完成材料定額及工時定額,材料定額和工時定額等生產信息存儲在MES中,作為車間進行生產組織的數據源和依據;機械加工、電子裝聯車間根據所生產計劃及工藝規程、工時定額,自動從CAPP系統中導出工藝信息,在MES中完成車間計劃調度、生產指令卡生成等過程,并根據生產指令卡組織工序流轉;檢驗部門在工序檢驗過程中在條碼技術的支持下將操作者、完工時間、質量信息等生產現場數據錄入MES中提供系統管理;科研生產處及生產單位則利用MES對現場生產活動進行實時監控與查詢,及時掌握并組織解決生產過程中出現的問題,實時調整生產計劃。
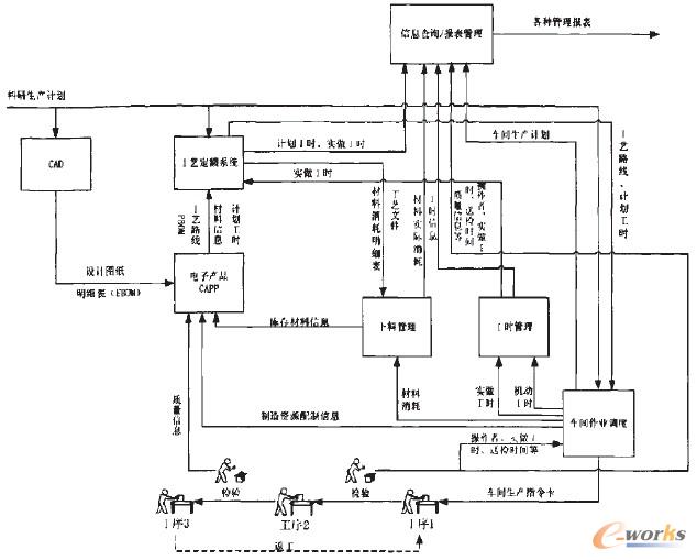
通過對軍工電子產品生產過程的分析,設計了涵蓋科研生產計劃部門、工藝部門、機械加工車間、電子裝聯車間、檢驗部門等主要部門的MES功能模型,如圖1所示。該系統的主要模塊包括系統管理模塊、生產任務單管理模塊、車間計劃調度模塊、半成品管理、檢驗數據采集模塊、工藝定額管理模塊、信息查詢與報表管理模塊等。

圖1 電子產品MES功能模型
3 MES在電子產品科研生產管理中的應用
為了便于實施和使用,解決傳統科研生產管理中存在的突出問題,MES被劃分成若干子系統,分別面向特定的部門和用戶,形成了各自的功能和界面。盡管MES被分成了多個子系統來部署,但這些子系統都是基于同一后臺數據庫、按照統一的規劃來進行設計和實現的,因而彼此間保持了較好的信息共享和集成,實現了科研及批生產所有型號產品的生產計劃部門計劃制定、工藝準備、工時定額、元件齊套、車間調度、零件檢驗、零件入庫和出庫等環節的日常工作的信息化管理。
從1年來的應用效果來看,該系統總體運行情況良好,現已完成生產計劃部門生產計劃近4000項、零組件圖紙1.2萬余張、零件工序近6萬道、工時近30萬小時。總體來說,MES的開發及其在小批量電子產品生產管理中的應用和實施,取得了以下效果:(1)通過與CAPP系統的信息集成,自動生成了所有零件的生產指令卡,減少了信息的重復錄入量,顯著縮短了車間的生產準備時間。(2)通過信息共享,提高了信息的透明度與利用率,提高了管理效率。MES的所有數據都以科研生產任務為主線,基于統一的數據庫平臺,這使得各崗位人員都能夠通過系統的信息查詢和數據統計功能獲得自己所關心的數據。(3)規范了生產管理流程。MES通過對生產過程各環節的時間節點、數量、進度等信息的限制和監控,達到了規范生產流程的目的。(4)MES系統內豐富的工時、質量、任務量等生產數據為產品質量分析、生產資源優化配置、生產計劃合理安排提供了科學依據。
結論
從實際應用情況來看,所設計MES的功能可基本滿足現階段小批量電子產品生產過程所涉及的各相關部門日常工作的需要。今后,隨著MES的進一步優化和實施,一方面,可增加生產信息的透明度,通過信息共享、信息集成、信息處理等技術,大大縮短電子產品的生產準備時間,其統計匯總功能、數據分析功能也將大大提高生產管理效率;另一方面,MES的應用也將起到規范生產過程控制、提高產品質量等作用,最終將推動科研生產管理活動快節奏、高效益有序運行,提高各部門的快速響應能力。
核心關注:拓步ERP系統平臺是覆蓋了眾多的業務領域、行業應用,蘊涵了豐富的ERP管理思想,集成了ERP軟件業務管理理念,功能涉及供應鏈、成本、制造、CRM、HR等眾多業務領域的管理,全面涵蓋了企業關注ERP管理系統的核心領域,是眾多中小企業信息化建設首選的ERP管理軟件信賴品牌。
轉載請注明出處:拓步ERP資訊網http://www.sdyuan.com/
本文標題:MES在小批量電子產品生產管理中的應用
























