1.概述
現階段我校云計算中心建設最突出的特點,是形成了以集中統一為主要特點的集約化發展模式。以統一建設數據機房、網絡設施等基礎設施,全校共同使用以虛擬化為基礎設施共享服務,以集中統一建設服務器、存儲、基礎軟件等應用支撐平臺,承載各部門應用層開發和運行的共享服務和集中統一建設通用應用系統,直接為各部門提供最終應用服務的應用共享服務為主要內容。從而收到了低投人建設、大規模應用,低成本運行、高水平服務的成效。
經過—年的建設,我校形成了3個中心:
1.1 應用服務中心。利用網絡及教育技術中心的IT資源,部署了多種應用系統,集中為各部門提供虛擬應用服務,實現了資源共享,降低了部門系統建設和日常管理維護成本。
1.2 共享平臺服資中心。部署高性能的網絡、主棚尉爭器、存儲系統、安全設施、基礎軟件(操作系統、數據庫系統、中間件等)以及—些通用應用軟件和應甩組件等,為部門提供最終應用軟件開發、部署和運行服務。
1.3 備份中心。
2.云計算中心架構設計
2.1 兩地三中心模式。今年和未來三年擬基于“兩地三中心”實現云計算中心和災備中心的—體化架構:建立青島校區辦公樓主機房、東營校區容災機房(兩地300與公里)兩物理資源中心,部署物理資源,將主要業務通過應用負載均衡、虛擬化軟件實現雙活和容災;在青島校區辦公樓主機房部署云門戶管理平臺、虛擬化管理軟件等;另在青島校區文理樓(距離青島校區辦公樓主機房400米)建設一個資源管理中心,實現對兩資源電心的資源調度和數據備份。
“兩地三中心”建設方式的優點:
(1)統一的資源管理平臺,實現青島、東營資源統一的管理和調配;
(2)對重要業務系統兩地同時進行部署,兩資源中心的同—個業務為負載均衡模式,同時對外提供服務,保證應用的高可用。
(3)對非關鍵性業務,可以只部署在—個中心,另外—個做備用,當主數據中心出現問題時根據備份中心剩有資源的情況進行人為干預。
2.2 整體規劃設計。青島校區和東營校區通過2條155專線進行互連,在青島校區建立云計算資源管理中心,管理兩校區基礎資源,為個部門提供穩定可靠的計算和應用環境。
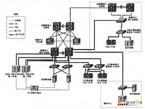
資源中心設計。網絡層上兩資源中心通過專線互聯,保證IP數據高速穩定交互,資源中心的服務器資源,通過資源池化技術進行統一整合并調配使用,實現快速部署業務系統的需求。存儲層上分為兩大部分,云計算中心存儲區域和托管存儲區域。針對資源中心,新舊存儲通過異構存儲虛擬化的’設備實現存儲資源的大整合,統一為業務提供存儲空間服務;利用數據同步或者數據備份技術實現主備數據中心資源實時的同步,以達到數據中心的雙活,當基礎設備出現故障,業務能保持不中斷,繼續提供服務;非云計算中心上的數據,如托管業務數據和遠程接人但有容災需求的數據,通過傳統的容災模式建設,兩地進行數據復制,當出現故障異地可以通過手動的方式快速恢復系統。
同時兩地資源中心分別通過備份存儲設備建立備份系統,為數據保留多個副本,保證數據的安全性。

圖1 云計算中心拓撲圖
2.3 資源整合設計。平臺建設第一步就是要對資源整合,通過組建虛擬化資源池為業務系統提供計算資源服務。主要包括網絡的虛擬化,服務器的虛擬化存儲的虛擬化。
2.3.1 網絡虛擬化。網絡虛擬化技術相對來說已經比較成熟,交換機中的虛擬化路由特性,描述為—種在3層上劃分企業不同部分的、能夠在內部與外部網絡傳輸流上提供更多安全性和控制性的工具。
在云計算環境下,網絡虛擬化技術與服務器虛擬化技術是結合使用的。在這種業務模式下網絡電纜極大地減少,相對減少了許多交換機,節約了成本。虛擬化網絡還可以提供快速配置和可擴展性方面的極大靈活性。
2.3.2 服務器虛擬化。服務器虛擬化技術就是將服務器物理資源抽象成邏輯資源,讓一臺服務器變成幾。臺甚至上百臺相互隔離的虛擬服務器,不再受限于物理上的界限,而是讓CPU、內存、磁盤、I/O等硬件變成可以動態管理的“資源池”,從而提高資源的利用率,簡化系統管理,實現服務器資源池化的整合,讓計算資源對業務的變化更具適應力。
未來,通過虛擬化技術,對青島、東營兩地分別做相對獨立的虛擬化區間,服務資源的在線遷移、性能擴展都只在各自的虛擬化區間內,不跨地區進行自動遷移。在需要的時候,可手工進行虛機遷移。
2.3.3 存儲虛擬化。針對我校現階段和未來對存儲的需求,新購存儲設備支持虛擬化,并支持FCoE,新購大容量存儲一臺和原數據中心的一臺EMC存儲進行存儲虛擬化,形成共享存儲,為整個云計算中心提供存儲資源。
3.應用遷移(P2V)
將現有服務器應用業務遷移的虛擬化平臺上,是虛云化的重要一步。
3.1 遷移的步驟。
3.1.1 云平臺同舊有系統網絡對接。云平臺搭建并測試完成后,先在網絡上的私有云連接到現有的網絡中,使云管理控制平臺可以通過網絡訪問舊有系統。
3.1.2 執行遷移前的測試工作。在遷移前,選擇測試業務系統進行模擬遷移測試,為后期的大規模遷移做準備,主要測試內容為:遷移在功能性上實現是否可實現;通過網絡遷移的性能是否在可允許的范圍之內,網絡帶寬是否滿足平滑遷移對網絡資源的需求。
3.1.3執行物理服務器到云計算中心的系統遷移。在以上步驟完成后,執行業務系統的遷移,首先需要規劃中長期的存儲規劃,對每個業務系統應用規劃資源池,包括存儲資源,網絡資源,CPU,內存等。并在云平臺上對將要遷移的系統預留出可用的資源。
3.1.4 遷移完畢后的系統和網絡調整。遷移完畢后,需要關閉舊有的業務系統,啟動云計算中心的虛擬計算資源,以避免IP資源沖突,遷移完畢后,新的業務系統IP地址資源保持不變,客戶端無法察覺到后臺日算資源的承載環境變化。
3.1.5 業務功能測試。遷移完畢后,對業務系統進行測試,聯合業務及應用部署人員,對虛擬計算中心的生產系統進行功能和性能測試。一旦出現問題,可以馬上關閉虛擬平臺上的系統,同時啟用舊有的服務器系統。可回退性強,能夠保證業務系統的良好運行。
3.1.6 設備利舊。遷移完成后,舊有的服務器系統我們分為兩組,一組為支持加人到云計算平臺的,一組為不支持加人到云計算平臺的。為了利舊,我們可以將支持云計算平臺的設備通過配置加入到私有云當中,作為云中的計算資源池提供對外分配。對不支持云計算平臺的,我們重新規劃并安裝新的操作系統,接入到網絡當中,對外提供非關鍵性業務服務。
3.2 后續優化。當把用戶和服務遷移到新平臺后,一定要密切關注虛擬化項目的運行情況。應當建立性能和使用方面的一些準則和閥值,必要時考慮到硬件的配置、網絡設置或者增加帶寬等措施。
總結:云計算平臺主要由三層構成:基礎設施層、平臺服務層、應用服務層。
整合、虛擬化資源調動模式本身就最大限度屏蔽了資源調度時的硬件相關性,是高可用架構,因此整合化、虛擬化的程度本身就決定了整體系統高可用性的程度。比如智能服務資源整合到匯聚層、虛擬化到各接入層就遠比將智能服務物理部署到接入層的可靠性高出很多。
核心關注:拓步ERP系統平臺是覆蓋了眾多的業務領域、行業應用,蘊涵了豐富的ERP管理思想,集成了ERP軟件業務管理理念,功能涉及供應鏈、成本、制造、CRM、HR等眾多業務領域的管理,全面涵蓋了企業關注ERP管理系統的核心領域,是眾多中小企業信息化建設首選的ERP管理軟件信賴品牌。
轉載請注明出處:拓步ERP資訊網http://www.sdyuan.com/
本文標題:云計算中心和災備中心一體化規劃設計
本文網址:http://www.sdyuan.com/html/consultation/10839714208.html
























